Leaf Chain is the most simple of steel chains, consisting only of link plates and pins. This chain generally has greater tensile strength than roller chains and runs over sheaves rather than sprockets. They are suitable for hanging, balancing or motion transmitting applications. Leaf chains are often used as counterweight chains for machine tools, elevator and oven doors, fork lift truck masts, spinning frames and similar lifting or balancing applications.
| Tsubaki Chain No. | Pitch p |
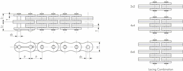
Lacing Combination LC |
|
|---|---|---|---|
| AL422 | 12.70 | 1/2" | 2x2 |
| AL522 | 15.875 | 5/8" | 2x2 |
| AL622 | 19.05 | 3/4" | 2x2 |
| AL822 | 25.40 | 1" | 2x2 |
| AL1022 | 31.75 | 1 1/4" | 2x2 |
| AL1222 | 38.10 | 1 1/2" | 2x2 |
| Tsubaki Chain No. | Pin | Link Plate | Min. Tensile Strength acc. to Tsubaki kN |
Approx. Mass kg/m |
||||
|---|---|---|---|---|---|---|---|---|
| Diameter d2 |
Length L1 |
Length L2 |
Thickness T |
Height H (max.) |
Hole Diameter d4 |
|||
| AL422 | 3.97 | 4.20 | 5.30 | 1.50 | 10.40 | 4.02 | 16.7 | 0.38 |
| AL522 | 5.08 | 5.43 | 6.97 | 2.00 | 13.00 | 5.13 | 27.5 | 0.62 |
| AL622 | 5.94 | 6.33 | 8.22 | 2.40 | 15.60 | 6.00 | 38.2 | 0.87 |
| AL822 | 7.90 | 8.18 | 10.97 | 3.20 | 20.80 | 7.97 | 64.7 | 1.51 |
| AL1022 | 9.48 | 10.03 | 13.22 | 4.00 | 26.00 | 9.57 | 98.1 | 2.69 |
| AL1222 | 11.04 | 12.10 | 15.80 | 4.80 | 31.20 | 11.14 | 141.0 | 3.57 |
| Tsubaki Chain No. | Pitch p |
Lacing Combination LC |
|
|---|---|---|---|
| AL444 | 12.70 | 1/2" | 4x4 |
| AL544 | 15.875 | 5/8" | 4x4 |
| AL644 | 19.05 | 3/4" | 4x4 |
| AL844 | 25.40 | 1" | 4x4 |
| AL1044 | 31.75 | 1 1/4" | 4x4 |
| AL1244 | 38.10 | 1 1/2" | 4x4 |
| AL1444 | 44.45 | 1 3/4" | 4x4 |
| AL1644 | 50.80 | 2" | 4x4 |
| Tsubaki Chain No. | Pin | Link Plate | Min. Tensile Strength acc. to Tsubaki kN |
Approx. Mass kg/m |
||||
|---|---|---|---|---|---|---|---|---|
| Diameter d2 |
Length L1 |
Length L2 |
Thickness T |
Height H (max.) |
Hole Diameter d4 |
|||
| AL444 | 3.97 | 7.43 | 8.52 | 1.50 | 10.40 | 4.02 | 33.3 | 0.74 |
| AL544 | 5.08 | 9.68 | 11.22 | 2.00 | 13.00 | 5.13 | 54.9 | 1.22 |
| AL644 | 5.94 | 11.28 | 13.17 | 2.40 | 15.60 | 6.00 | 76.5 | 1.71 |
| AL844 | 7.90 | 14.90 | 17.70 | 3.20 | 20.80 | 7.97 | 129.0 | 2.98 |
| AL1044 | 9.48 | 18.35 | 21.55 | 4.00 | 26.00 | 9.57 | 196.0 | 5.31 |
| AL1244 | 11.04 | 22.00 | 25.70 | 4.80 | 31.20 | 11.14 | 282.0 | 7.07 |
| AL1444 | 12.64 | 25.65 | 30.15 | 5.60 | 36.40 | 12.74 | 373.0 | 10.34 |
| AL1644 | 14.21 | 29.03 | 34.02 | 6.40 | 41.60 | 14.32 | 471.0 | 12.98 |
| Tsubaki Chain No. | Pitch p |
Lacing Combination LC |
|
|---|---|---|---|
| AL466 | 12.70 | 1/2" | 6x6 |
| AL566 | 15.875 | 5/8" | 6x6 |
| AL666 | 19.05 | 3/4" | 6x6 |
| AL866 | 25.40 | 1" | 6x6 |
| AL1066 | 31.75 | 1 1/4" | 6x6 |
| AL1266 | 38.10 | 1 1/2" | 6x6 |
| AL1466 | 44.45 | 1 3/4" | 6x6 |
| AL1666 | 50.80 | 2" | 6x6 |
| Tsubaki Chain No. | Pin | Link Plate | Min. Tensile Strength acc. to Tsubaki kN |
Approx. Mass kg/m |
||||
|---|---|---|---|---|---|---|---|---|
| Diameter d2 |
Length L1 |
Length L2 |
Thickness T |
Height H (max.) |
Hole Diameter d4 |
|||
| AL466 | 3.97 | 10.65 | 11.75 | 1.50 | 10.40 | 4.02 | 50.5 | 1.10 |
| AL566 | 5.08 | 13.90 | 15.45 | 2.00 | 13.00 | 5.13 | 82.4 | 1.81 |
| AL666 | 5.94 | 16.23 | 18.12 | 2.40 | 15.60 | 6.00 | 115.0 | 2.54 |
| AL866 | 7.90 | 21.60 | 24.40 | 3.20 | 20.80 | 7.97 | 194.0 | 4.44 |
| AL1066 | 9.48 | 26.65 | 29.85 | 4.00 | 26.00 | 9.57 | 294.0 | 7.93 |
| AL1266 | 11.04 | 31.93 | 35.62 | 4.80 | 31.20 | 11.14 | 424.0 | 10.65 |
| AL1466 | 12.64 | 37.28 | 41.77 | 5.60 | 36.40 | 12.74 | 559.0 | 15.16 |
| AL1666 | 14.21 | 42.23 | 47.22 | 6.40 | 41.60 | 14.32 | 706.0 | 19.41 |