United Kingdom

Heavy Duty Chain
Super-H Series


 

Home » Products » Chain » Drive Chain » Heavy Duty Chain » SUPER-H Series

 

Super-H Series

g8-logo

The thickness of the Super-H Series link plates is the same as the next larger pitch size of Super Series chain. The pins are also through-hardened which provides a higher tensile strength and a higher fatique strength than Super Series chain. The pin holes of the outer link plates are critically formed and ball drifted. The holes of the roller link plates are ring coined to increase fatique strength.

Super-H Series chains can be used to replace the next larger size of ANSI standard chain, making them ideal for applications where space is limited. Best suited for low speed operating conditions (up to 50 m/min).

heavyduty-super-h1

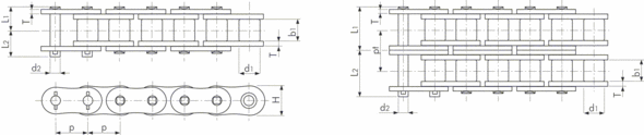
Single Strand Details

Tsubaki Heavy Duty Super H Series
Dimensions in mm
Tsubaki Chain No. Pitch
p
Roller Diameter
d1
Inner Width
b1
RS80-SUP-H-1 25.40 1" 15.88 15.88
RS100-SUP-H-1 31.75 1 1/4" 19.05 19.05
RS120-SUP-H-1 38.10 1 1/2" 22.23 25.40
RS140-SUP-H-1 44.45 1 3/4" 25.40 25.40
RS160-SUP-H-1 50.80 2" 28.58 31.75
RS200-SUP-H-1 63.50 2 1/2" 39.68 38.10
RS240-SUP-H-1 76.20 3" 47.63 47.63
Dimensions in mm
Tsubaki Chain No. Pin Link Plate
Diameter
d2
Length
L1
Length
L2
Thickness
T
Height
H (max.)
RS80-SUP-H-1 7.94 18.30 20.90 4.00 24.10
RS100-SUP-H-1 9.54 21.80 24.50 4.80 30.10
RS120-SUP-H-1 11.11 26.95 30.55 5.60 36.20
RS140-SUP-H-1 12.71 28.90 33.10 6.40 42.20
RS160-SUP-H-1 14.29 33.95 38.45 7.15 48.20
RS200-SUP-H-1 19.85 42.90 48.10 9.50 60.30
RS240-SUP-H-1 23.81 54.80 62.30 12.70 72.40
Dimensions in mm
Tsubaki Chain No. Transverse Pitch
pt
Min. Tensile Strength acc. to Tsubaki
kN
Av. Tensile Strength acc. to Tsubaki
kN
Approx. Mass
kg/m
RS80-SUP-H-1 - 85.3 98.1 3.29
RS100-SUP-H-1 - 127.0 145.0 4.88
RS120-SUP-H-1 - 171.0 196.0 6.94
RS140-SUP-H-1 - 222.0 255.0 8.88
RS160-SUP-H-1 - 281.0 324.0 11.72
RS200-SUP-H-1 - 520.0 598.0 19.68
RS240-SUP-H-1 - 802.0 922.0 30.47
  • Offset links are not available.
  • Press-fit type connecting links are supplied.
  • Standard ANSI sprockets can be used with single strand chain only.
  • Sprockets with a low teeth number must have hardened teeth.
  • Steel grade of sprockets must be C45 or higher.
  • Pins are quad riveted.
heavyduty-super-h2

Double Strand Details

Tsubaki Heavy Duty Super H Series
Dimensions in mm
Tsubaki Chain No. Pitch
p
Roller Diameter
d1
Inner Width
b1
RS80-SUP-H-2 25.40 1" 15.88 15.88
RS100-SUP-H-2 31.75 1 1/4" 19.05 19.05
Dimensions in mm
Tsubaki Chain No. Pin Link Plate
Diameter
d2
Length
L1
Length
L2
Thickness
T
Height
H (max.)
RS80-SUP-H-2 7.94 34.60 37.20 4.00 24.10
RS100-SUP-H-2 9.54 41.40 44.10 4.80 30.10
Dimensions in mm
Tsubaki Chain No. Transverse Pitch
pt
Min. Tensile Strength acc. to Tsubaki
kN
Av. Tensile Strength acc. to Tsubaki
kN
Approx. Mass
kg/m
RS80-SUP-H-2 32.60 171.0 196.0 6.52
RS100-SUP-H-2 39.10 253.0 290.0 9.51
  • Offset links are not available.
  • Press-fit type connecting links are supplied.
  • Sprockets with a low teeth number must have hardened teeth.
  • Steel grade of sprockets must be C45 or higher.
  • Multi strand chains need special sprockets, contact Tsubaki for more detailed information.
  • Pins are quad riveted.
  • Download the G8 Heavy Duty Chain brochure in PDF, here.