United Kingdom

Stainless Steel
BS SS Chain


 

 

BS SS Chain

All basic components of this chain are made of Stainless Steel SUS304 (except the spring clips, which are made of SUS301). This chain can be used in special environments such as underwater, acidic and alkaline applications. It can also be used in high and low temperatures (-20°C to +400°C).
SUS304 is only marginally magnetic, which is the result of the cold-forging process. For details on corrosion resistance, please check out our Corrosion Resistance Guide.

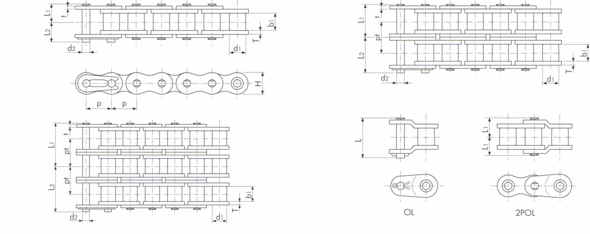
Single Strand Details

ss
Tsubaki BS SS Chain
Dimensions in mm
Tsubaki Chain No. Pitch
p
Roller Diameter
d1
Inner Width
b1
RF06B-SS-1 9.525 3/8" 6.35 5.72
RS08B-SS-1 12.70 1/2" 8.51 7.75
RS10B-SS-1 15.875 5/8" 10.16 9.65
RS12B-SS-1 19.05 3/4" 12.07 11.68
RS16B-SS-1 25.40 1" 15.88 17.02
RS20B-SS-1 31.75 1 1/4" 19.05 19.56
Dimensions in mm
Tsubaki Chain No. Pin Link Plate
Diameter
d2
Length
L1
Length
L2
Length
L
Thickness
T
Thickness
t
Height
H (max.)
RF06B-SS-1 3.28 6.50 7.25 15.45 1.30 1.00 8.20
RS08B-SS-1 4.45 8.35 10.05 20.05 1.50 1.50 12.00
RS10B-SS-1 5.08 9.55 11.25 22.90 1.50 1.50 14.70
RS12B-SS-1 5.72 11.10 13.00 26.70 1.80 1.80 16.10
RS16B-SS-1 8.28 17.75 19.95 38.90 4.00 3.20 21.00
RS20B-SS-1 10.19 20.10 23.10 48.40 4.50 3.50 26.00
Dimensions in mm
Tsubaki Chain No. Transverse Pitch
pt
Max. Allowable Load acc. to Tsubaki
kN
Approx. Mass
kg/m
RF06B-SS-1 - 0.28 0.39
RS08B-SS-1 - 0.50 0.70
RS10B-SS-1 - 0.67 0.95
RS12B-SS-1 - 0.89 1.25
RS16B-SS-1 - 2.10 2.70
RS20B-SS-1 - 2.95 3.85
  • Connecting links are clip type for sizes up to RS16B-SS, and cotter type for sizes RS12B-SS to RS20B-SS.
  • RF06B-SS chain has flat shaped link plates.
  • Center sink pins are not available. Double stake riveting is applied.
  • For details on corrosion resistance selection, please consult our Corrosion Resistance Guide.

Double Strand Details

ss2
Tsubaki BS SS Chain
Dimensions in mm
Tsubaki Chain No. Pitch
p
Roller Diameter
d1
Inner Width
b1
RF06B-SS-2 9.525 3/8" 6.35 5.72
RS08B-SS-2 12.70 1/2" 8.51 7.75
RS10B-SS-2 15.875 5/8" 10.16 9.65
RS12B-SS-2 19.05 3/4" 12.07 11.68
RS16B-SS-2 25.40 1" 15.88 17.02
Dimensions in mm
Tsubaki Chain No. Pin Link Plate
Diameter
d2
Length
L1
Length
L2
Length
L
Thickness
T
Thickness
t
Height
H (max.)
RF06B-SS-2 3.28 11.60 12.30 28.85 1.30 1.00 8.20
RS08B-SS-2 4.45 15.30 17.00 34.60 1.50 1.50 12.00
RS10B-SS-2 5.08 17.85 19.55 39.40 1.50 1.50 14.70
RS12B-SS-2 5.72 20.90 22.70 46.10 1.80 1.80 16.10
RS16B-SS-2 8.28 33.55 35.75 73.80 4.00 3.20 21.00
Dimensions in mm
Tsubaki Chain No. Transverse Pitch
pt
Max. Allowable Load acc. to Tsubaki
kN
Approx. Mass
kg/m
RF06B-SS-2 10.24 0.56 0.75
RS08B-SS-2 13.92 1.00 1.35
RS10B-SS-2 16.59 1.34 1.85
RS12B-SS-2 19.46 1.78 2.50
RS16B-SS-2 31.88 4.20 5.40
  • Connecting links are clip type for sizes up to RS16B-SS, and cotter type for sizes RS12B-SS to RS20B-SS.
  • RF06B-SS chain has flat shaped link plates.
  • Center sink pins are not available. Double stake riveting is applied.
  • For details on corrosion resistance selection, please consult our Corrosion Resistance Guide.

Triple Strand Details

ss3
Tsubaki BS SS Chain
Dimensions in mm
Tsubaki Chain No. Pitch
p
Roller Diameter
d1
Inner Width
b1
RS08B-SS-3 12.70 1/2" 8.51 7.75
RS10B-SS-3 15.875 5/8" 10.16 9.65
RS12B-SS-3 19.05 3/4" 12.07 11.68
Dimensions in mm
Tsubaki Chain No. Pin Link Plate
Diameter
d2
Length
L1
Length
L2
Length
L
Thickness
T
Thickness
t
Height
H (max.)
RS08B-SS-3 4.45 22.25 23.95 18.60 1.50 1.50 12.00
RS10B-SS-3 5.08 26.20 27.80 56.00 1.50 1.50 14.70
RS12B-SS-3 5.72 30.65 32.60 65.60 1.80 1.80 16.10
Dimensions in mm
Tsubaki Chain No. Transverse Pitch
pt
Max. Allowable Load acc. to Tsubaki
kN
Approx. Mass
kg/m
RS08B-SS-3 13.92 1.50 2.00
RS10B-SS-3 16.59 2.01 2.80
RS12B-SS-3 19.46 2.67 3.80
  • Connecting links are clip type for sizes up to RS16B-SS, and cotter type for sizes RS12B-SS to RS20B-SS.
  • Center sink pins are not available. Double stake riveting is applied.
  • For details on corrosion resistance selection, please consult our Corrosion Resistance Guide.