United Kingdom

Nickel Plated
ANSI NP Chain


 

Home » Products » Chain » Drive Chain » Anti Corrosion Chain » NP Series » ANSI (Lambda) NP

 

ANSI (Lambda) NP

ANSI NP Chain is a Tsubaki ANSI G8 chain that has been plated with Nickel. NP chain has a light corrosion resistance and an attractive appearance. NP chain is suitable for outdoor conditions exposed to water. There is a 15% reduction in Maximum Allowable Load compared to the corresponding ANSI G8 chain, so please take this into account when making your chain selection. The working temperature range is:
-10°C to +60°C. Of course, ANSI Lambda NP chain is also available.

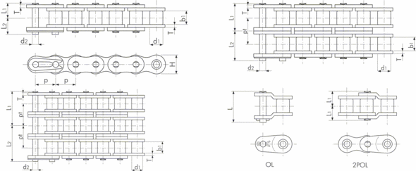
Single Strand Details

np
ANSI NP Chain
Dimensions in mm
Tsubaki Chain No. Pitch
p
Roller Diameter
d1
Inner Width
b1
RS25-NP-1 6.35 1/4" 3.30 3.18
RS35-NP-1 9.525 3/8" 5.08 4.78
RS40-NP-1 12.70 1/2" 7.92 7.95
RS50-NP-1 15.875 5/8" 10.16 9.53
RS60-NP-1 19.05 3/4" 11.91 12.70
RS80-NP-1 25.40 1" 15.88 15.88
RS100-NP-1 31.75 1 1/4" 19.05 19.05
Dimensions in mm
Tsubaki Chain No. Pin Link Plate
Diameter
d2
Length
L1
Length
L2
Length
L
Thickness
T
Height
H (max.)
RS25-NP-1 2.31 3.80 4.50 7.60 0.75 5.84
RS35-NP-1 3.59 5.85 6.85 13.50 1.25 9.00
RS40-NP-1 3.97 8.25 9.95 18.00 1.50 12.00
RS50-NP-1 5.09 10.30 12.00 22.50 2.00 15.00
RS60-NP-1 5.96 12.85 14.75 28.20 2.40 18.10
RS80-NP-1 7.94 16.25 19.25 36.00 3.20 24.10
RS100-NP-1 9.54 19.75 22.85 44.40 4.00 30.10
Dimensions in mm
Tsubaki Chain No. Transverse Pitch
pt
Min. Tensile Strength acc. to Tsubaki
kN
Approx. Mass
kg/m
RS25-NP-1 - 4.1 0.14
RS35-NP-1 - 9.8 0.33
RS40-NP-1 - 17.7 0.64
RS50-NP-1 - 28.4 1.04
RS60-NP-1 - 40.2 1.53
RS80-NP-1 - 71.6 2.66
RS100-NP-1 - 107.0 3.99
  • RS25-NP to RS35-NP are rollerless chains (only bush). The figure shown is the bush diameter.
  • Connecting links are clip type for sizes RS25-NP to RS60-NP, and cotter type for size RS80-NP to RS100-NP.
  • When a single pitch offset link is used, please calculate a 35% reduction of the fatigue strength.
  • For details on corrosion resistance selection, please consult our Corrosion Resistance Guide.
  • The listed sizes are stock items, other chain sizes are available on request.

Double Strand Details

np2
ANSI NP Chain
Dimensions in mm
Tsubaki Chain No. Pitch
p
Roller Diameter
d1
Inner Width
b1
RS35-NP-2 9.525 3/8" 5.08 4.78
RS40-NP-2 12.70 1/2" 7.92 7.95
RS50-NP-2 15.875 5/8" 10.16 9.53
RS60-NP-2 19.05 3/4" 11.91 12.70
RS80-NP-2 25.40 1" 15.88 15.88
Dimensions in mm
Tsubaki Chain No. Pin Link Plate
Diameter
d2
Length
L1
Length
L2
Length
L
Thickness
T
Height
H (max.)
RS35-NP-2 3.59 10.90 11.90 24.50 1.25 9.00
RS40-NP-2 3.97 15.45 17.15 33.50 1.50 12.00
RS50-NP-2 5.09 19.35 21.15 41.80 2.00 15.00
RS60-NP-2 5.96 24.25 26.25 52.60 2.40 18.10
RS80-NP-2 7.94 30.90 33.90 67.50 3.20 24.10
Dimensions in mm
Tsubaki Chain No. Transverse Pitch
pt
Min. Tensile Strength acc. to Tsubaki
kN
Approx. Mass
kg/m
RS35-NP-2 10.10 19.6 0.69
RS40-NP-2 14.40 35.3 1.27
RS50-NP-2 18.10 56.9 2.07
RS60-NP-2 22.80 80.4 3.04
RS80-NP-2 29.30 143.0 5.27
  • RS35-NP-2 is rollerless chains (only bush). The figure shown is the bush diameter.
  • Connecting links are clip type for sizes RS35-NP-2 to RS60-NP-2, and cotter type for size RS80-NP-2.
  • When a single pitch offset link is used, please calculate a 35% reduction of the fatigue strength.
  • For details on corrosion resistance selection, please consult our Corrosion Resistance Guide.
  • The listed sizes are stock items, other chain sizes are available on request.

Triple Strand Details

np3
ANSI NP Chain
Dimensions in mm
Tsubaki Chain No. Pitch
p
Roller Diameter
d1
Inner Width
b1
RS35-NP-3 9.525 3/8" 5.08 4.78
RS40-NP-3 12.70 1/2" 7.92 7.95
RS50-NP-3 15.875 5/8" 10.16 9.53
RS60-NP-3 19.05 3/4" 11.91 12.70
RS80-NP-3 25.40 1" 15.88 15.88
Dimensions in mm
Tsubaki Chain No. Pin Link Plate
Diameter
d2
Length
L1
Length
L2
Length
L
Thickness
T
Height
H (max.)
RS35-NP-3 3.59 16.00 16.90 34.60 1.25 9.00
RS40-NP-3 3.97 22.65 24.15 47.90 1.50 12.00
RS50-NP-3 5.09 28.40 30.20 59.90 2.00 15.00
RS60-NP-3 5.96 35.65 38.15 75.50 2.40 18.10
RS80-NP-3 7.94 45.60 48.50 96.90 3.20 24.10
Dimensions in mm
Tsubaki Chain No. Transverse Pitch
pt
Min. Tensile Strength acc. to Tsubaki
kN
Approx. Mass
kg/m
RS35-NP-3 10.10 29.4 1.05
RS40-NP-3 14.40 53.0 1.90
RS50-NP-3 18.10 85.3 3.09
RS60-NP-3 22.80 121.0 4.54
RS80-NP-3 29.30 215.0 7.89
  • RS25-NP to RS35-NP are rollerless chains (only bush). The figure shown is the bush diameter.
  • Connecting links are clip type for sizes RS35-NP-3 to RS60-NP-3, and cotter type for size RS80-NP-3.
  • When a single pitch offset link is used, please calculate a 35% reduction of the fatigue strength.
  • For details on corrosion resistance selection, please consult our Corrosion Resistance Guide.
  • The listed sizes are stock items, other chain sizes are available on request.