United Kingdom

BS Single Pitch
RF Chain


 

Home » Products » Chain » Attachment Chain » BS Standard Attachment Chain » BS Single Pitch RF

 

BS Single Pitch RF Chain

For common applications, Tsubaki can provide you with an outstanding range of Attachment Chain. The chain is manufactured according to the appropriate European Standards.

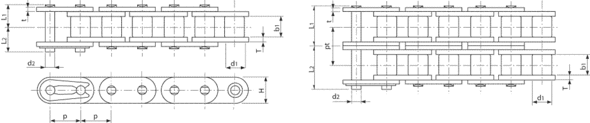
Single Strand Details

Tsubaki BS Single Pitch RF Chain
Tsubaki BS Single Pitch RF Chain
Dimensions in mm
Tsubaki Chain No. Pitch
p
Roller Diameter
d1
Inner Width
b1
RF08B-1 12.70 1/2" 8.51 7.75
RF10B-1 15.875 5/8" 10.16 9.65
RF12B-1 19.05 3/4" 12.07 11.68
RF16B-1 25.40 1" 15.88 17.02
Dimensions in mm
Tsubaki Chain No. Pin Link Plate Transverse Pitch
pt
Approx. Mass
kg/m
Diameter
d2
Length
L1
Length
L2
Thickness
T
Thickness
t
Height
H (max.)
RF08B-1 4.45 8.40 10.00 1.60 1.60 11.80 - 0.75
RF10B-1 5.08 9.55 11.25 1.50 1.50 14.70 - 1.00
RF12B-1 5.72 11.10 13.00 1.80 1.80 16.10 - 1.30
RF16B-1 8.28 17.75 19.95 4.00 3.20 24.00 - 2.80
  • Connecting links are clip type.

Double Strand Details

Tsubaki BS Single Pitch RF Duplex Chain
Tsubaki BS Single Pitch RF Chain
Dimensions in mm
Tsubaki Chain No. Pitch
p
Roller Diameter
d1
Inner Width
b1
RF08B-2 12.70 1/2" 8.51 7.75
RF10B-2 15.875 5/8" 10.16 9.65
RF12B-2 19.05 3/4" 12.07 11.68
RF16B-2 25.40 1" 15.88 17.02
Dimensions in mm
Tsubaki Chain No. Pin Link Plate Transverse Pitch
pt
Approx. Mass
kg/m
Diameter
d2
Length
L1
Length
L2
Thickness
T
Thickness
t
Height
H (max.)
RF08B-2 4.45 15.30 16.90 1.60 1.60 11.80 13.92 1.40
RF10B-2 5.08 17.85 19.55 1.50 1.50 14.70 16.59 1.90
RF12B-2 5.72 20.85 22.75 1.80 1.80 16.10 19.46 2.60
RF16B-2 8.28 33.55 35.75 4.00 3.20 24.00 31.88 5.60
  • Connecting links are clip type.
  • Intermediate plate of RF08B-2 chain is a solid plate.